HOME > PRODUCTS > GLASS DOORLOCK SERIES

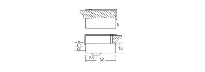
GLX-4008

Glass lock

Material: Stainless steel / Zinc alloy
Finishing: Chrome finish / Satin finish / Gold finish
Available for: Suitable for 10-12 thickness
Tempered glass door