HOME > PRODUCTS > GLASS DOOR CLAMP SERIES

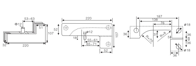
GLX-2011

Glass door clamp

Material: body is Aluminum alloy / cover stainless steel
Finishing: Chrome finish / Satin finish / Gold finish
Door thickness:10-12mm Tempered glass