HOME > PRODUCTS > SHOWER FIXED GLASS ACCESSORY SERIES

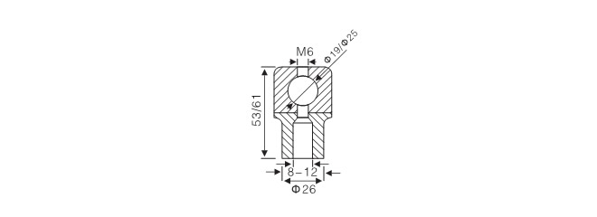
GLX-7012