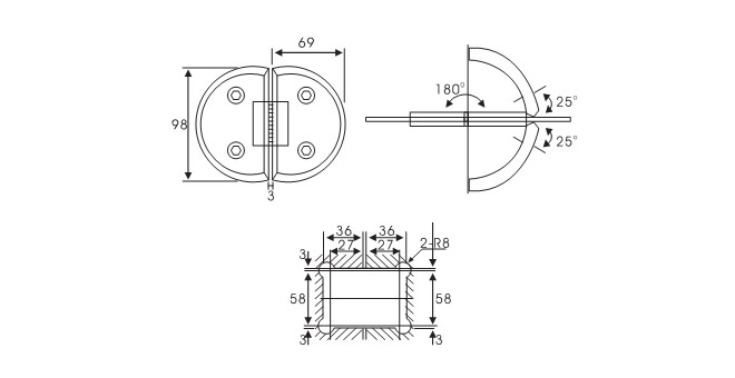
HOME > PRODUCTS > GLASS DOOR HINGE SERIES

GLX-9023