HOME > PRODUCTS > GLASS DOOR HINGE SERIES

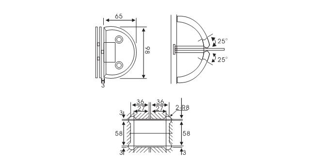
GLX-9022